Aktuelle Informationen! (05 Feb. 2026)

Auf der Retro Classics Essen 2026, 8. bis 12. April 2026 ist der Citroen SM Club Deutschland Teil der Citroen Straße.
Nächstes Mitgliedertreffen vom 24. bis 26. April 2026 im Hotel Restaurant Sachsenross, Ob. Dorfstraße 32, 37176 Nörten-Hardenberg bei Göttingen.
Neue Ersatzteile
• Stehbolzen neu für Verbindung Zylinderkopf / Motorblock bei Motorrevision
• Leistungsschalter / Selbstheilende Sicherungen / silberne Kästen zwischen den grünen Relais

Klima und die Lüfter

  • Rabl
  • Rabls Avatar Autor
  • Offline
  • Senior Mitglied
  • Senior Mitglied
  • Beiträge: 44

Re: Klima und die Lüfter

29 Apr. 2025 10:41
#1
Hallo, dieses Forum bzw. seine Mitglieder sind genial !!!!
Dank eines Posts von "Citroen23" bin ich erleuchtet worden 
"... www.citroen-sm.org/wiki/index.php/Air_Conditioning
Der Trinary-Schalter wird einfach mit dem Stromkabel der elektrischen Kupplung des AC-Kompressors in Reihe geschaltet. Sinkt der Gasdruck im System unter den unteren Grenzwert oder erzeugt der Kompressor gefährlich hohen Druck (z. B. bei ausgefallenen Lüftern), trennt der Schalter die Kupplung...........
Der Schalter kann kompressormontiert oder am Empfänger/Trockner oder sogar in die Hochdruckleitung des Systems eingebaut werden"

Danke !

 

Bitte Anmelden oder Registrieren um der Konversation beizutreten.

  • Andy
  • Andys Avatar
  • Offline
  • Platinum Mitglied
  • Platinum Mitglied
  • Beiträge: 12872

Re: Klima und die Lüfter

28 Apr. 2025 10:19
#2
Oje....da vorne mache ich auch gerade herum. Mein 75er IE hat serienmäßig getrennte Lüfter und 3 Thermosicherungen, aber die Schaltung verstehe ich eh nicht. Kein Plan im WHB. Habe sicherheitshalber mal alle Kabel im Motorraum mit neuen Kabelbäumen gemacht. Hoffe, dass es funzt ohne Rauchwolke.
Immerhinw ar da nicht sooo viel rumgebastelt worden.
Andreas

Bitte Anmelden oder Registrieren um der Konversation beizutreten.

  • Rabl
  • Rabls Avatar Autor
  • Offline
  • Senior Mitglied
  • Senior Mitglied
  • Beiträge: 44

Re: Klima und die Lüfter

28 Apr. 2025 10:09
#3
Hallo !
Bei meiner Spurensuche bin ich etwas weitergekommen,
Elektrisch wurde an dem Fahrzeug einiges verändert:
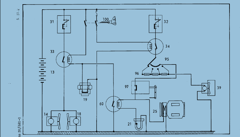
Das Massesignal vom Relais 57 (am Kabelbaum), wenn angezogen ist, kommt definitiv nicht vorne am Relais 33 an !
Vom Relais 33 geht die geschaltete Leitung nicht direkt an die Lüfter sondern macht einen Umweg über ein weiteres (zusätzliches) Relais. (siehe Bild)
An dieses Relais gehen die Leitungen vom Temperaturfühler des Kühlers  UND (jetzt kommts) außerdem 2 Leitungen von Sensor der Klima-Trockner-Flasche !! (die Kabel vom Doppelstecker unterbrechen vermutlich den Kompressor bei Druckproblemen)
So etwas habe ich noch nicht gesehen (siehe Bild) .  ich habe keinen blassen Schimmer wozu das dienen soll ??  Wenn es zum Überdruck kommt, den Kompressor ausschalten und noch geschwind die Lüfter einschalten .......
Am Bild des neuen Relais sind 2 gelbe Kabel vom Thermoschalter und 2 gelbe Kabel von der Trocknerflasche.

Mein Problem (Klima einschalten und Lüfter sollen laufen), sollte ich lösen können, wenn ich die (schwarze) Leitung vom Relais 57 direkt am neue Relais zu den gelben Kabel vom Thermoschalter klemme     So der Plan für heute.

Herzlich Grüße
Wolfgang


 

Bitte Anmelden oder Registrieren um der Konversation beizutreten.

  • TilDS
  • TilDSs Avatar
  • Offline
  • Elite Mitglied
  • Elite Mitglied
  • Beiträge: 164

Re: Klima und die Lüfter

25 Apr. 2025 21:46
#4
Nein, das sehe ich auch so - wenn 60 schaltet, dann muss aber auch 33 schalten, insbesondere da Du schreibst, dass die Luefter bei hoher Wassertemperatur angehen (Schalter 19) - verbinde doch mal den Ausgang (also das geschlatete Kabel das nicht an Masse geht) mit dem Auslass vom Thermoschalter am Kuehler (geschaltete Kabel das nicht an Masse geht), dann sollten die Luefter beim einschalten der Klima laufen (im Stand) - wenn dem so ist, kanns nur noch ein schlechter Kontakt/ein gebrochenens Kabel sein, und das sollte einfach zu reparieren sein - viel Erfolg - Til 

Bitte Anmelden oder Registrieren um der Konversation beizutreten.

  • Rabl
  • Rabls Avatar Autor
  • Offline
  • Senior Mitglied
  • Senior Mitglied
  • Beiträge: 44

Re: Klima und die Lüfter

24 Apr. 2025 13:51
#5
Hallo Tim,
ich dachte wenn das Relais 57 (hier in dem Schaubild als 60 gekennzeichnet) schaltet, dann muss der Hydraulikschalter die Masse ja durchreichen ?!


Darum hatte ich den Schalter von meiner Fehlersuche ausgenommen.
Liege ich hier falsch ??

Danke und leibe Grüße
Wolfgang
 

Bitte Anmelden oder Registrieren um der Konversation beizutreten.

  • TilDS
  • TilDSs Avatar
  • Offline
  • Elite Mitglied
  • Elite Mitglied
  • Beiträge: 164

Re: Klima und die Lüfter

24 Apr. 2025 03:45 - 24 Apr. 2025 03:47
#6
Hallo Wolfgang - ich will mich da nicht zu weit aus dem Fenster lehnen, aber der Hydraulikschalter sollte nichts mit der Kompressorkupplung zu tun haben, da der Hydraulikschalter ausschliesslich die Ventilatoren unter einer bestimmten Geschwindigkeit einschaltet (der Kompressor soll ja auch bei hoeherer Geschwindigkeit noch laufen, wenn die Ventilatoren ausgehen) - diese Hydrailkschalter sind dafuer bekannt (DS Bremsdruckwarnschalter), dass sie mit der Zeit ihre Spannung verlieren und somit schon unter dem eigentlich vorgesehenen Schaltdruck oeffnen - ein gewisser Rueckstelldruck fuer die Lenkung ist ja auch im Stand vorhanden, und vielleicht schliesst Dein Hydraulikschalter bei desem Druck einfach nicht mehr? Den wuerde ich als erstes mal ueberbruecken und wenn die Ventilatoren dann laufen, entweder ersetzen oder aber neu einstellen (schwarze Kappe abnehmen - ist selbsterklaerend).

Viel Erfolg - Til 
Letzte Änderung: 24 Apr. 2025 03:47 von TilDS.

Bitte Anmelden oder Registrieren um der Konversation beizutreten.

  • Rabl
  • Rabls Avatar Autor
  • Offline
  • Senior Mitglied
  • Senior Mitglied
  • Beiträge: 44

Klima und die Lüfter

23 Apr. 2025 14:42
#7
Hallo, heute wende ich mich an die Wissenden der Elektrik !
Ich verfolge momentan das Phantom "Lüfter laufen nicht wenn die Klimaanlage eingeschaltet ist" (z.B: im Stand)
Das ominöse Relais 57 habe ich unter dem LHM-Topf gefunden und sofort mal erneuert.
Stand jetzt:
Beim Einschalten der Klimaanlage zieht der Kupplungsmagnet des Kompressors hörbar an  -  aber die Lüfter laufen nicht :-(
Im Relais 57 wird beim Einschalten der Anlage auf das Kabel "N" Masse geschaltet. (soweit sollte es richtig sein)
Der Hydraulikschalter (U-förmige mit Hydraulikleitung und Kabelanschluss) funktioniert, weil ja im Stand der Kompresser schaltet.
Nach dem Schaltplan wird aus dem Kabel "N" (Relais 57) vor  der "Klemme 35 vorne links am Kotflügel"  die Farbe "MV (Lila), bevor sich diese Leitung mit der Leitung vom Temperaturschalter (19)  verbindet und als "MR" (braun) in das Relais 33 geht.
Die Lüfter laufen problemlos wenn das Kühlwasser heiß wird - d.h. das Relais 33 funktioniert auch.

Für mich schaut es so aus, als ob dieses "Massesignal" vom Relais 57 irgendwo am Weg verloren geht.
Leider habe ich erst vor 2 Wochen die Schürze montiert und somit den leichten Zugang zum Relais 33 verbaut.

Die Frage lautet also:
wo bzw. wie wir die Leitung "N" vom Relais 57 mit der Leitung zum Relais 33 verbunden? 
Was habe ich unter "Klemme 35" zu verstehen ??

Danke an Alle die zum Ersten meine Fragestellung überhaupt verstehen und zum Zweiten vielleicht einen Hinweis auf die tatsächlichen Leitungsverläufe geben können.
Herzliche Grüße
Wolfgang

Bitte Anmelden oder Registrieren um der Konversation beizutreten.

Wir benutzen Cookies

Wir nutzen Cookies auf unserer Website. Einige von ihnen sind essenziell für den Betrieb der Seite, während andere uns helfen, diese Website und die Nutzererfahrung zu verbessern (Tracking Cookies). Sie können selbst entscheiden, ob Sie die Cookies zulassen möchten. Bitte beachten Sie, dass bei einer Ablehnung womöglich nicht mehr alle Funktionalitäten der Seite zur Verfügung stehen.