Aktuelle Informationen! (05 Feb. 2026)

Auf der Retro Classics Essen 2026, 8. bis 12. April 2026 ist der Citroen SM Club Deutschland Teil der Citroen Straße.
Nächstes Mitgliedertreffen vom 24. bis 26. April 2026 im Hotel Restaurant Sachsenross, Ob. Dorfstraße 32, 37176 Nörten-Hardenberg bei Göttingen.
Neue Ersatzteile
• Stehbolzen neu für Verbindung Zylinderkopf / Motorblock bei Motorrevision
• Leistungsschalter / Selbstheilende Sicherungen / silberne Kästen zwischen den grünen Relais

lüftermotoren

  • Irmin
  • Irmins Avatar
  • Offline
  • Elite Mitglied
  • Elite Mitglied
  • Beiträge: 274

Re: lüftermotoren

26 Juni 2020 19:19
#21
Gut, jetzt habe ich den Druckschalter probweise überbrückt. Noch immer kein Mucks aus den Lüftern. Dann kann es ja wohl nur noch an dem Relais "K" liegen.
Da kommt man ja nicht richtig gut ran. Ärgerlich, denn zum Einbau der neuen Klimaschläuche hatte ich die Frontschürze herunten...

Grrr.

Da muss ich wohl durch. Vielleicht installiere ich am Wochenende erst mal den elektrischen Zusatzlüfter and der DS.

Gruss, Irmin

Bitte Anmelden oder Registrieren um der Konversation beizutreten.

  • MaTHias
  • MaTHiass Avatar
  • Offline
  • Platinum Mitglied
  • Platinum Mitglied
  • Beiträge: 3667

Re: lüftermotoren

26 Juni 2020 17:49
#22
citroen23 schrieb:

Bitte Anmelden oder Registrieren um der Konversation beizutreten.

  • Achim
  • Achims Avatar
  • Offline
  • Platinum Mitglied
  • Platinum Mitglied
  • Beiträge: 1283

Re: lüftermotoren

26 Juni 2020 10:17
#23
...man kann den Thermoschalter am Kühler auch mit Dauerplus versorgen, dann laufen die Lüfter bei heißem Motor auch bei abgeschalteter Zündung weiter. Hilft beim sommerlichen Wärmestau unter der Haube. Nachlaufdauer ist akzeptabel, hatte mit der Schaltung bislang keinerlei Spannungsprobleme mit der Batterie.

Viel Erfolg

Achim
Folgende Benutzer bedankten sich: Irmin

Bitte Anmelden oder Registrieren um der Konversation beizutreten.

  • citroen23
  • citroen23s Avatar
  • Offline
  • Elite Mitglied
  • Elite Mitglied
  • Beiträge: 568

Re: lüftermotoren

25 Juni 2020 16:59 - 25 Juni 2020 17:04
#24
MaTHias schrieb: Der Öldruckgeber hinten am Motor steuert mit die Lüfter?
Den wollte ich ersetzen durch einen anderen für eine Öldruck-Anzeige bis 10 bar.
Was muss ich beachten?

21 ist der richtige ;) Wie Klaus sagt: unter ca. 70 kmh erhält das relais 60 masse über den hydraulikdruckschalter.und darüber keine masse also sind die ventilatoren wieder aus.
PDF file 639-7 erklärt es !!

Letzte Änderung: 25 Juni 2020 17:04 von citroen23.

Bitte Anmelden oder Registrieren um der Konversation beizutreten.

  • Andy
  • Andys Avatar
  • Offline
  • Platinum Mitglied
  • Platinum Mitglied
  • Beiträge: 12872

Re: lüftermotoren

25 Juni 2020 14:13 - 25 Juni 2020 17:11
#25
NEIN! Die schreiben hier von dem U- förmigen Öldruckschalter im Hydrauliknetz, der am linken Rahmen ganz unten hinterm Kühler sitzt.

Geeeenau- Nr 21 im Schaltplan.

Andreas
Letzte Änderung: 25 Juni 2020 17:11 von Andy.

Bitte Anmelden oder Registrieren um der Konversation beizutreten.

  • MaTHias
  • MaTHiass Avatar
  • Offline
  • Platinum Mitglied
  • Platinum Mitglied
  • Beiträge: 3667

Re: lüftermotoren

25 Juni 2020 13:28
#26
Der Öldruckgeber hinten am Motor steuert mit die Lüfter?
Den wollte ich ersetzen durch einen anderen für eine Öldruck-Anzeige bis 10 bar.
Was muss ich beachten?

Bitte Anmelden oder Registrieren um der Konversation beizutreten.

  • klaus schwaller
  • klaus schwallers Avatar
  • Offline
  • Platinum Mitglied
  • Platinum Mitglied
  • Beiträge: 1487

Re: lüftermotoren

25 Juni 2020 10:04
#27
Irmin schrieb:
Werner Schopf schrieb: Ja, das sind selbstheilende Sicherungen.
Der Öldruckschalter wird vom Druck der Lenkungsgeradeausstellung betätigt, der sich mit zunehmender Geschwindigkeit erhöht. Das heißt, bei ca. 70 km/h öffnet der Schalter und die Ventilatoren werden ausgeschalten, da dann der Fahrtwind für die Kühlung des Kondensators der Klimaanlage ausreicht.

Gruß, Werner

Wäre es denkbar, dass ein nicht funktionierender Öldruckschalter verhindert, dass die Ventilatoren beim einschalten der Klima loslaufen? Gruss, Irmin
ja , unter ca. 70 kmh erhält das relais masse über den hydraulikdruckschalter.und darüber keine masse also sind die ventilatoren wieder aus.

Bitte Anmelden oder Registrieren um der Konversation beizutreten.

  • Irmin
  • Irmins Avatar
  • Offline
  • Elite Mitglied
  • Elite Mitglied
  • Beiträge: 274

Re: lüftermotoren

25 Juni 2020 09:59
#28
Vielleicht waren die Schalter für manuelles Einschalten der Lüfter in Italien ja Serienmässig? Davon habe ich allerdings noch nichts gehört?

Irmin

Bitte Anmelden oder Registrieren um der Konversation beizutreten.

  • Irmin
  • Irmins Avatar
  • Offline
  • Elite Mitglied
  • Elite Mitglied
  • Beiträge: 274

Re: lüftermotoren

25 Juni 2020 09:56
#29
Werner Schopf schrieb: Ja, das sind selbstheilende Sicherungen.
Der Öldruckschalter wird vom Druck der Lenkungsgeradeausstellung betätigt, der sich mit zunehmender Geschwindigkeit erhöht. Das heißt, bei ca. 70 km/h öffnet der Schalter und die Ventilatoren werden ausgeschalten, da dann der Fahrtwind für die Kühlung des Kondensators der Klimaanlage ausreicht.

Gruß, Werner

Wäre es denkbar, dass ein nicht funktionierender Öldruckschalter verhindert, dass die Ventilatoren beim einschalten der Klima loslaufen? Gruss, Irmin

Bitte Anmelden oder Registrieren um der Konversation beizutreten.

  • Irmin
  • Irmins Avatar
  • Offline
  • Elite Mitglied
  • Elite Mitglied
  • Beiträge: 274

Re: lüftermotoren

25 Juni 2020 09:53
#30
Hallo Freunde, ich brauche einen Tipp für meine Klimaanlage. Ich habe den Kit von Heidrich und Schüller verbaut. Hut ab. Aller perfekt und passgenau gerfertigt. Ich bin froh, dass ich mit dieser Firma arbeiten konnte. Da ich aber in Österreich lebe, konnte ich nicht zu ihnen fahren, und jetzt habe ich ein Problem, dass ich noch nicht lösen konnte: Die Lüftermotoren laufen nicht an, wenn man die Klimaanlage einschaltet. Die Anlage selbst funktioniert, es wird kühl, aber wenn die Lüfter nicht anlaufen, komme ich bald zur Überdruckabschaltung bei 28bar... Nun, vom Prinzip denke ich, das kann nur an einem Relais 34 liegen... (September 1972, Einspritzer), oder einer Kabelverbindung irgendwo dazwischen. Die Lüfter laufen ja sehr wohl an, wenn dem SM zu heiss wird. Bitte um bestätigung meiner Theorie, ich bin Autodidakt. Ausserdem: Mein sizilianischer Vorbesitzer, dessen eigene KFZ-Reparaturwerkstatt zu den Fischen ging, hatte einen weiteren Schalter im Armaturenbrett verbaut, der die Lüfter betätigt... Also konnt man die Lüfter bei zu virl Hitze in Palermo quasi schon im vorauseilenden Gehorsam manuell einschalten. Das hat bei dem Auto bis letztes Jahr auch alles noch funktioniert, aber jetzt nicht mehr. Leider weiss ich nicht, wie unser sizilianischer Kollege das verkabelt hat, aber da er von Fach war (oder ist), wird er mit dem Schlter ja wohl dasRelais 34 angesprochen haben, oder, was ich schlimmer fände, eine eigene Verkabelung mit einem eigenen Relais gemacht haben. Meine Frage also: Was könnte die wahrscheinliche Ursache sein, dass die Lüfter nicht anlaufen? Kollegen mit einer Kristallkugel für Wahrsager bitte in die erste Reihe vorrücken ;-)

Viele Grüße Irmin

Bitte Anmelden oder Registrieren um der Konversation beizutreten.

  • Werner Schopf
  • Werner Schopfs Avatar
  • Offline
  • Senior Mitglied
  • Senior Mitglied
  • Beiträge: 75

Re: lüftermotoren

19 Juli 2019 14:32
#31
Ja, das sind selbstheilende Sicherungen.
Der Öldruckschalter wird vom Druck der Lenkungsgeradeausstellung betätigt, der sich mit zunehmender Geschwindigkeit erhöht. Das heißt, bei ca. 70 km/h öffnet der Schalter und die Ventilatoren werden ausgeschalten, da dann der Fahrtwind für die Kühlung des Kondensators der Klimaanlage ausreicht.

Gruß, Werner

Bitte Anmelden oder Registrieren um der Konversation beizutreten.

  • MichaIN
  • MichaINs Avatar
  • Offline
  • Elite Mitglied
  • Elite Mitglied
  • Beiträge: 167

Re: lüftermotoren

19 Juli 2019 13:29 - 19 Juli 2019 13:29
#32
OK, danke! Also selbstheilende Sicherungsautomaten?
Ja, die Bezeichnungen sind komisch... bin auch über den Öldruckschalter gestolpert, dessen Funktion mich da verwundert hatte, aber wohl den Druck im Klimakreislauf meint.

Gruß Michael
Letzte Änderung: 19 Juli 2019 13:29 von MichaIN.

Bitte Anmelden oder Registrieren um der Konversation beizutreten.

  • Werner Schopf
  • Werner Schopfs Avatar
  • Offline
  • Senior Mitglied
  • Senior Mitglied
  • Beiträge: 75

Re: lüftermotoren

19 Juli 2019 12:06
#33
Hallo Michael,

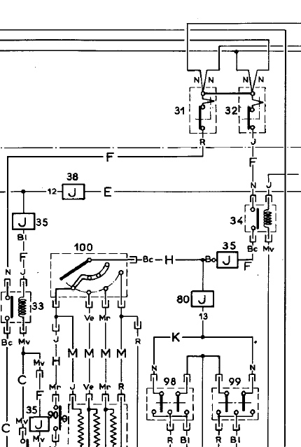
31 und 32 sind Thermosicherungen, die Du zwischen den Relais am linken Kotflügel findest. Die Bezeichnungen im Schaltplan sind leider irreführend.

Gruß, Werner

Bitte Anmelden oder Registrieren um der Konversation beizutreten.

  • MichaIN
  • MichaINs Avatar
  • Offline
  • Elite Mitglied
  • Elite Mitglied
  • Beiträge: 167

Re: lüftermotoren

19 Juli 2019 11:15 - 19 Juli 2019 11:48
#34
Hallo Werner,

prima, schaue ich mir an.

Das Auto hat leider definitiv nie Klima gehabt. Aber ich prüf mal, ob da was vorverkabelt ist.

Bei der Gelegenheit eine Frage: "31" ist ja laut Schaltplanbezeichnung der Kühllüfterschalter. Ich ging zunächst davon aus, das ist der eigentliche gut sichtbare Thermoschalter am Kühler (welcher aber in Wirklichkeit "19" = "Thermo-Zeitschalter (Wasser)" ist)..
Aber wieso liegt 31 in Reihe zum Arbeitskontakt von Relais 33 - ist das eher eine Thermosicherung?
Was genau ist dann "32" (Schalt.f. Klimaanlage und Fensterheber)? Er ist genauso gezeichnet, was auf eine räumliche und bauliche Nähe schließen läßt.
Wo sitzt der, ist das auch ein temperaturabhängiger Schalter und welche Funktion hat er? Er liegt ja in Reihe zum Relais34, das den Heizungslüfter und die Fensterheber mit Spannung versorgt.



Danke!

Gruß Michael
Letzte Änderung: 19 Juli 2019 11:48 von MichaIN.

Bitte Anmelden oder Registrieren um der Konversation beizutreten.

  • Werner Schopf
  • Werner Schopfs Avatar
  • Offline
  • Senior Mitglied
  • Senior Mitglied
  • Beiträge: 75

Re: lüftermotoren

19 Juli 2019 11:02
#35
Wenn keine Klimanlage und auch keine Verkabelung dafür vorhanden ist, wird das Relais 33 nur über den Thermoschalter am Kühler eingeschaltet (mit Minus). Wenn das Relais, bei Zündung an und beide Stecker am Thermoschalter abgezogen, trotzdem angezogen ist, kann eigentlich nur ein Schluß gegen Masse auf dem Weg von Thermoschalter zum Relais die Ursache sein. Prüfen ob nicht doch eine Klimaverkabelung vorhanden ist: Halbrunder Druckschalter unterhalb des Thermoschalters (kühler) und Relais 57 am Kabelbaum in der Nähe des LHM-Behälters am linken Kotflügel.

Gruß, Werner

Bitte Anmelden oder Registrieren um der Konversation beizutreten.

  • MichaIN
  • MichaINs Avatar
  • Offline
  • Elite Mitglied
  • Elite Mitglied
  • Beiträge: 167

Re: lüftermotoren

19 Juli 2019 06:57
#36
06-1972. Später Vergaser.

Bitte Anmelden oder Registrieren um der Konversation beizutreten.

  • D.Trompeter
  • D.Trompeters Avatar
  • Offline
  • Elite Mitglied
  • Elite Mitglied
  • Beiträge: 252

Re: lüftermotoren

19 Juli 2019 06:56
#37
Welches Baujahr?

Bitte Anmelden oder Registrieren um der Konversation beizutreten.

  • MichaIN
  • MichaINs Avatar
  • Offline
  • Elite Mitglied
  • Elite Mitglied
  • Beiträge: 167

Re: lüftermotoren

19 Juli 2019 06:39
#38
Hallo,

danke für den Hinweis!
Sorry, hatte ich vergessen zu erwähnen: Das Auto hat keine Klimaanlage.
Aber ich hatte auch mal das Gebläse auf 0 gestellt, kein Unterschied.

Viele Grüße,
Michael

Bitte Anmelden oder Registrieren um der Konversation beizutreten.

  • D.Trompeter
  • D.Trompeters Avatar
  • Offline
  • Elite Mitglied
  • Elite Mitglied
  • Beiträge: 252

Re: lüftermotoren

19 Juli 2019 06:32
#39
Ist der Heizlüfter auf 0 gestellt? Sobald der Lüfter eingeschaltet ist, ist auch die Klimaanlage an.
Du kannst auch den Rundstecker am Druckschalter abziehen ( unten im Bereich Wasserablass Kühler), dann sollte das Relais abschalten.

Bitte Anmelden oder Registrieren um der Konversation beizutreten.

  • MichaIN
  • MichaINs Avatar
  • Offline
  • Elite Mitglied
  • Elite Mitglied
  • Beiträge: 167

Re: lüftermotoren

18 Juli 2019 23:13
#40
Hallo,

ich hole diesen alten Thread mal hoch, weil ich seit gestern das umgekehrte Problem habe:
Sobald ich die Zündung einschalte, laufen die Lüfter, auch bei kaltem Motor.

Ziehe ich die Kabel am Temperaturfühler, laufen die Lüfter weiterhin.
Ziehe ich die Steuerleitung am Relais, fällt das Relais mit deutlichem "Klock" ab und die Lüftergehen aus. Es liegt also nicht an einem klebenden Relais, sondern die Steuerleitung scheint irgendwoher Strom zu bekommen.

Hat jemand eine Idee dazu?

Danke!

Viele Grüße,
Michael

Bitte Anmelden oder Registrieren um der Konversation beizutreten.

Wir benutzen Cookies

Wir nutzen Cookies auf unserer Website. Einige von ihnen sind essenziell für den Betrieb der Seite, während andere uns helfen, diese Website und die Nutzererfahrung zu verbessern (Tracking Cookies). Sie können selbst entscheiden, ob Sie die Cookies zulassen möchten. Bitte beachten Sie, dass bei einer Ablehnung womöglich nicht mehr alle Funktionalitäten der Seite zur Verfügung stehen.